广东夜猫子品茶论坛_曲摆 良家 论坛_广东夜猫子品茶论坛

Pietra Calacatta

雅科贝思 直线电机 无刷无铁芯电机

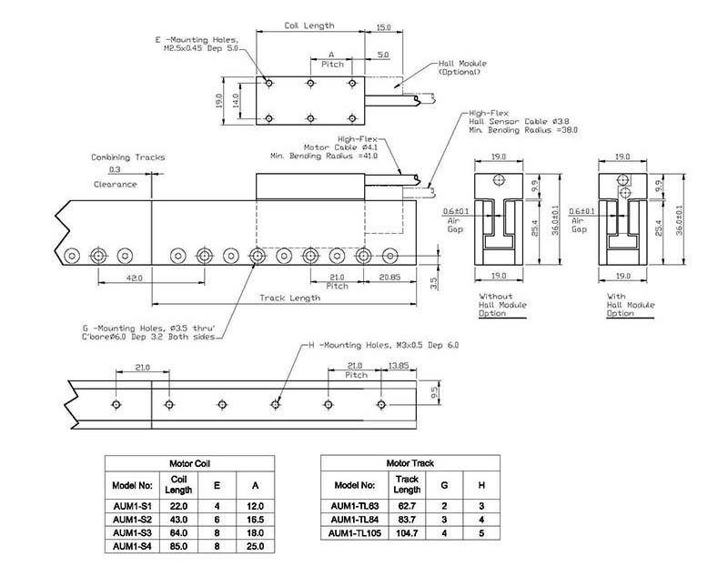
设计特点: A.无铁芯技术 B.无齿槽力 C.专利技术 D.电机常数高 E.高持续推力和峰值力 可选性:可定制 规格/3D图纸 AUM1 AUM2 尺寸图 AUM1 AUM2

详细介绍

设计特点:
 
     A.无铁芯技术
     B.无齿槽力
     C.专利技术
     D.电机常数高
     E.高持续推力和峰值力
 
可选性:可定制


规格/3D图纸

AUM1


AUM2


尺寸图
AUM1


AUM2

 

图片欣赏

宽田科技 ?2013-2024(www.nmanrf.cn)

本站关键词:工业机器人丨伺服电机丨直线电机丨DD马达丨模组丨视觉传感器丨传感器丨气缸丨电磁阀丨真空吸盘丨真空发生器丨拖链
主站蜘蛛池模板: 白水县| 淮安市| 桐城市| 贵州省| 西畴县| 定结县| 集贤县| 林口县| 阜阳市| 小金县| 华容县| 满洲里市| 赫章县| 象州县| 高淳县| 香格里拉县| 杂多县| 万安县| 诏安县| 余江县| 南皮县| 法库县| 安岳县| 通江县| 永安市| 屯昌县| 敖汉旗| 旺苍县| 石楼县| 闵行区| 郁南县| 深水埗区| 浪卡子县| 大宁县| 新疆| 绵阳市| 公主岭市| 古蔺县| 大庆市| 香港| 安康市|